Residential Solar ON GRID

Applications
PV Kits
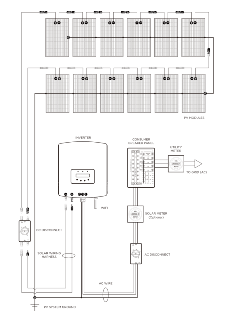
System Diagram
Applications
Homes, farmhouses, apartments, Villas
PV Kits
Solar modules
Solar-on grid inverter
Custom mounting system
PV & ground wiring harnesses
DC/AC disconnects
Wire management kits.
System Diagram
