Off Grid Commercial Solar Power System
Unified Power Provide Total Electrical independence with clean energy . Our Commercial Solar System Carefully designed and engineered pre-package off-grid solar power system is easy to install and maintain. Our off Gird solar energy solutions produce zero emissions and are noiseless. Standard Grid-Tie systems will not provide electricity during power outrage dude to safety regulations. even the solar modules are producing DC current. Our Off Grid system are independent from the standard utility grid and can delete the equaling expectations of the traditional grid. Our Off Grid solar system can be suitable for almost any kind installation requirements.
Sites where utility connections are unavailable.
Remote Locations where supply of liquid fuel is expensive.
Projects with Complete independ
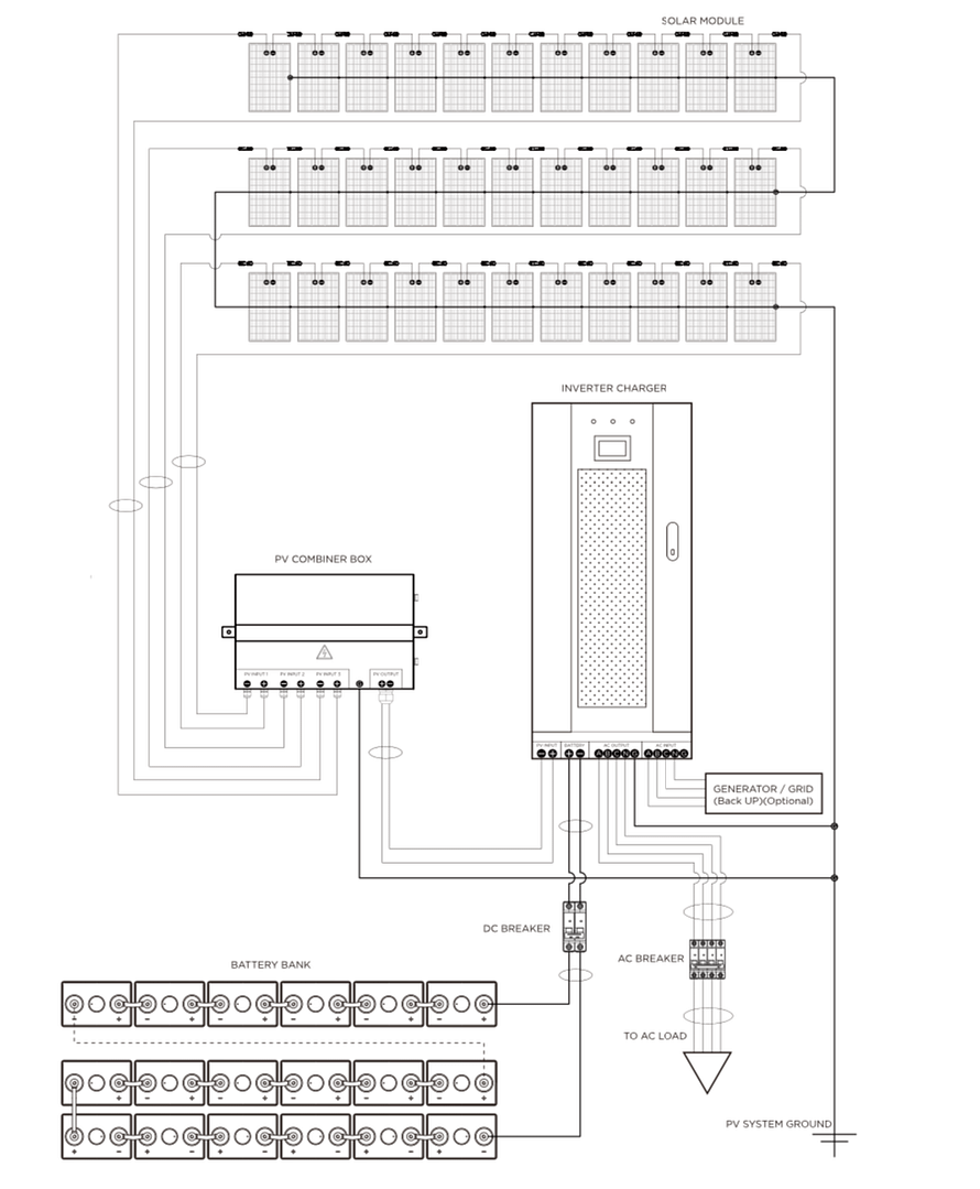
Solar Modules
Off-Grid Inverter/Charger
Custom mounting system
Battery Bank
PV. battery bank #Good Wiring harnesses
Wire Management kits.
Features & Benefits
- Grid-free solar lighting for cameras, WiFi, SCADA, flow meters, and more
- Lower costs for installation and zero electricity bills
- Multiple control options for various needs
- 5 years maintenance-free and warranty up to 25 years
- Rated to meet local AASHTO ratings
Every Unified power solar power system comes with a self-contained solar power assembly to run the specified equipment as per the requirements set by the customer. Our team of solar power system manufacturers designs each system based on the equipment’s power consumption and available sunlight in the geographical location of installation. We provide a backup battery with a minimum of five days of autonomy for extended battery life against challenging local weather conditions.
Solar power assemblies range from 30 Watts to 550 Watts, and battery assemblies are available from 36 Amp-hours to 672-Amp hours. Unified power ’s complete commercial off grid solar power systems come with controllers to operate the power system with guidance from the operation profile that solar specialists craft during project analysis. Our specialists select the optimal solar and battery for the customer’s desired period of time with plenty of backup power for times of inclement weather.
To ensure long life and reliability, our design team will be glad to assist you in selecting the system size. The Solar Electric Power Assemblies (SEPA) are used for applications such as Wi-Fi; Communications; RTU/SCADA; Oil, Gas, and Water Flow Meters; DATA Acquisition; Seismic Monitoring; Cathodic Protection; Camera Security; Remote Security; Railroad Applications; Stand-By Power; and Industrial, Commercial, Military, and Government Operational Applications.
