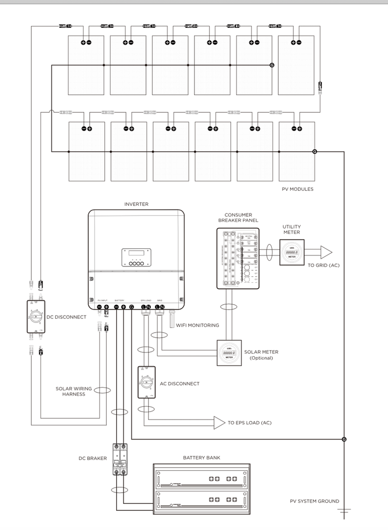
RESIDENTIAL HYBRID SOLAR SYSTEM

Our residential hybrid solar system seamlessly adjust to fluctuations in power from both the utility and the solar array maximizing the energy storage and consumption. With a number of different configuration settings users can decide when and how much energy stored or sold back the utility. Integration has never been easier or more simplified. Our single unit inverter allows seamless integration with solar arrange and battery bank.
Residential location with unstable grid supply
Remote locations
People who want to take advantage of the utility rate changes
Critical locations where uninterrupted power required.
Solar Modules
Hybrid inverter/Charger
Custom mounting system
Battery bank
PV battery bank and ground wiring harnesses
Wire management kits
